Вертлюжок SIMACO Т22.396.00.00РЭ

Вертлюжки служат для подвода воздуха к шинно-пневматическим муфтам или другим пневматическим механизмам через торцы вращающихся валов. Предназначены для эксплуатации под навесом или в помещениях, где колебания температуры и влажности воздуха не существенно отличаются от
колебаний на открытом воздухе, и имеется сравнительно свободный доступ наружного воздуха, например, в металлических помещениях без теплоизоляции.
Вертлюжки по виду крепления поставляют в двух исполнениях - фланцевое (шпиндель крепится к торцу вала при помощи фланца) и цапковое (шпиндель крепится при помощи резьбы).
Технические характеристики
| Условный проход Ду, мм | 16 |
| Рабочее давление сжатого воздуха, МПа (кгс/см2) | 0,8 (8) |
| Наибольшее число оборотов шпинделя, с-1 (об/мин) | 16,6 (1000) |
| Вес, кг, не более | 2 |
| Номинальные значения климатических внешних воздействующих факторов по ГОСТ 15150-80 для климатического исполнения УХЛ2: | |
| Относительная влажность воздуха | при 15°С - 80% при 25°С - 100% |
| Температура | от -40°С до +40°С |
Чертежи и маркировка
| Шифр предприятия- изготовителя | Обозначение | Чертеж (общий вид) |
| Т22.396.00.00 | 1-16 03.2067.001 | ![]() |
| Т22.396.00.00-01 | 2-16 03.2067.002 | ![]() |
| Т22.396.00.00-02 | 3-10 03.2067.003 | ![]() |
| Т22.396.00.00-03 | 4-10 03.2067.004 | ![]() |
| Т22.396.00.00-04 | 5-16 03.2067.005 | ![]() |
| Т22.396.00.00-05 | 6-16 03.2067.006 | ![]() |
| Т22.396.00.00-06 | 7-16 03.2067.007 | ![]() |
| Т22.396.00.00-07 | 8-16 03.2067.008 | ![]() |
| Т22.396.00.00-08 | ДЮА 30006-1 | ![]() |
| Т22.396.00.00-09 | ДЮА 30006-2 | ![]() |
| Т22.396.00.00-10 | XJ-L15 | ![]() |
| Т22.396.00.00-11 | XJ-L15.01 | ![]() |
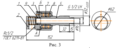
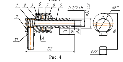
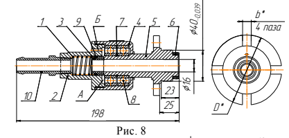
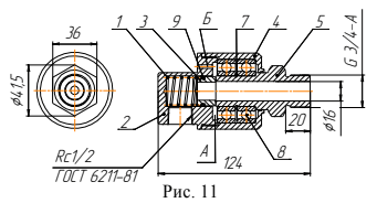
| 1 - пружина; 2 - крышка; 3 - втулка; 4 - корпус; 5 - шпиндель; 6 - кольцо; 7 - кольцо стопорное А25 ГОСТ 13942; 8 - подшипник 60205 ГОСТ 7242 (2 шт.); 9 - кольцо уплотнительное 020-024-25 ГОСТ 9833; 10 - штуцер; 11 - звездочка; 12 - шпонка; 13 - кольцо стопорное А30 ГОСТ 13942. |
Детальное описание и принцип работы
Вертлюжок состоит из корпуса 4 в котором установлены подшипники 8. Подшипники опираются на шпиндель 5. На корпус 4 навинчивается крышка 2. c установленными в ней пружиной 1 и втулкой 3 с уплотнительным кольцом 9. Пружина 1 служит для создания первоначального давления на втулку 3, которую прижимает к торцу шпинделя 5. При подаче сжатого воздуха через штуцер 10 внутрь вертлюжка, втулка 3 дополнительно прижимается к торцу
шпинделя 5, в результате чего создается необходимое уплотнение.
Ввиду исключительной простоты конструкции вертлюжка уход за ним во время эксплуатации сведен до минимума, это контроль герметичности вертлюжка при прохождении через него сжатого воздуха, а также проверка степени его нагрева.
По заявке потребителя предприятие-изготовитель поставляет рем. комплект Т22.396.00.00 ЗИ.
Производитель
Simaco












